Butt’s Pumps and Motors - page 171

SECTION
PAGE
DATE
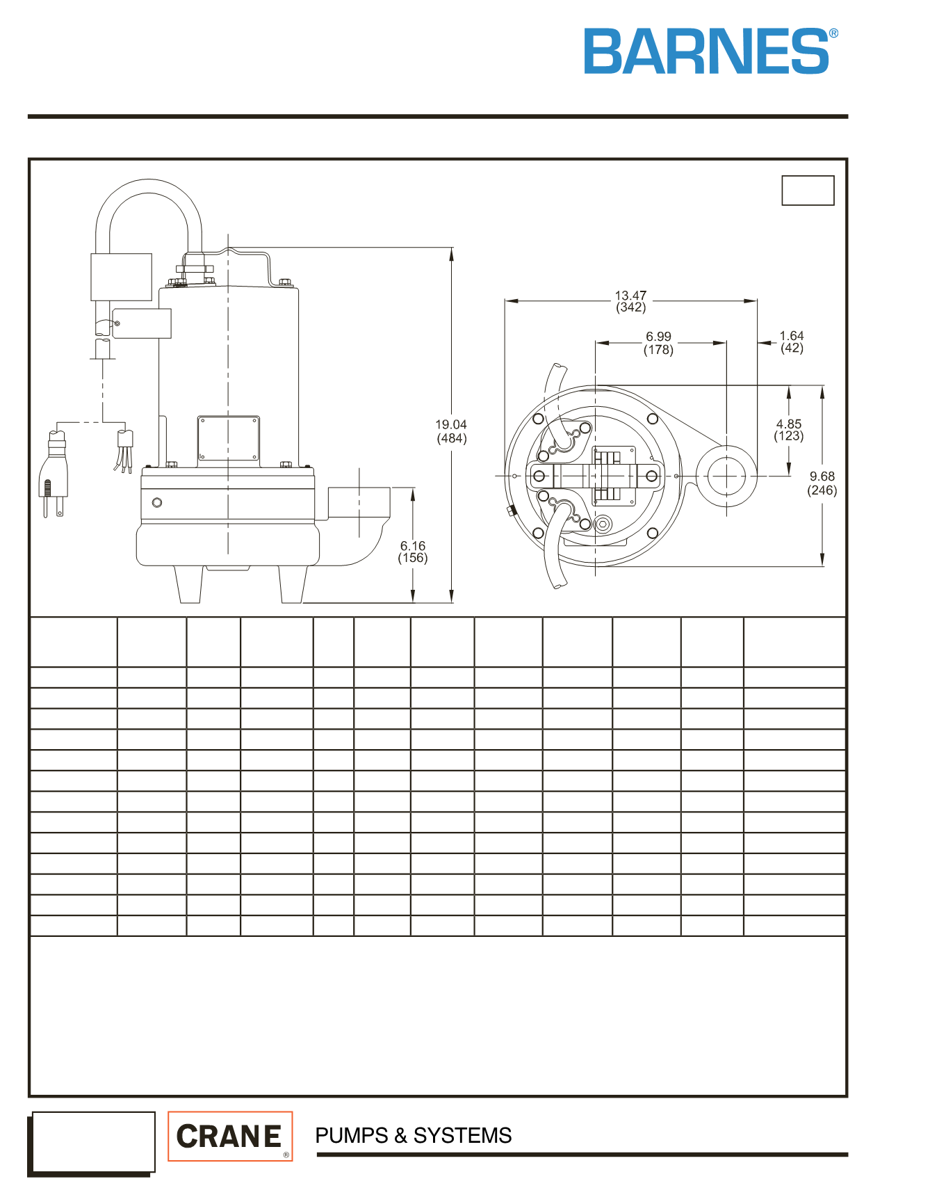
Submersible Effluent Pumps
USA: (937) 778-8947 • Canada: (905) 457-6223 • International: (937) 615-3598
A Crane Co. Company
10
B
Professional Plumbing
inches
(mm)
4/04
IMPORTANT !
1.) PUMP MAY BE OPERATED “DRY” FOR EXTENDED PERIODS WITHOUT DAMAGE TO MOTOR AND/OR SEALS.
2.) THIS PUMP IS APPROPRIATE FOR THOSE APPLICATIONS SPECIFIED AS CLASS I DIVISION II HAZARDOUS LOCATIONS.
3.) THIS PUMP IS NOT APPROPRIATE FOR THOSE APPLICATIONS SPECIFIED AS CLASS I DIVISION I HAZARDOUS LOCATIONS.
4.) INSTALLATIONS SUCH AS DECORATIVE FOUNTAINS OR WATER FEATURES PROVIDED FOR VISUAL ENJOYMENT MUST BE INSTALLED IN ACCORDANCE
WITH THE NATIONAL ELECTRIC CODE ANSI/NFPA 70 AND/OR THE AUTHORITY HAVING JURISDICTION. THIS PUMP IS NOT INTENDED FOR USE IN
SWIMMING POOLS, RECREATIONAL WATER PARKS, OR INSTALLATIONS IN WHICH HUMAN CONTACT WITH PUMPED MEDIA IS A COMMON OCCURRENCE.
MODEL NO PART NO HP VOLT/PH Hz RPM
(Nom)
NEMA
START
CODE
FULL
LOAD
AMPS
LOCKED
ROTOR
AMPS
CORD
SIZE
CORD
TYPE
CORD
O.D
inch (mm)
EH512DS
105063 0.5
120/1
60 3450
G
11.4
24.6
14/3 SJTOW 0.375 (9.5)
EH522DS
105064 0.5
240/1
60 3450
E
4.9
10.2
14/3
SOW 0.530 (13.5)
EH592DS
105065 0.5 200/240/3 60 3450
P/R 4.2/4.5 19.9/18.4 14/4
SOW 0.570 (14.5)
EH542DS
105066 0.5
480/3
60 3450
R
2.2
9.1
14/4
SOW 0.570 (14.5)
EH552DS
105067 0.5
600/3 60 3450
T
1.7
8.7
14/4
SOW 0.570 (14.5)
EH1022DS 105072 1.0
240/1
60 3450
F
8.1
21.8
14/3
SOW 0.530 (13.5)
EH1092DS 105073 1.0 200/240/3 60 3450
H/J
8.1/6.2 19.9/18.4 14/4
SOW 0.570 (14.5)
EH1042DS 105074 1.0
480/3
60 3450
J
3.1
9.1
14/4
SOW 0.570 (14.5)
EH1052DS 105075 1.0
600/3
60 3450
L
2.8
8.7
14/4
SOW 0.570 (14.5)
EH1522DS 105080 1.5
240/1
60 3450
E
10.9
30.6
14/3
SOW 0.530 (13.5)
EH1592DS 105081 1.5 200/240/3 60 3450
H/F
7.8/7.0 29.2/18.7 14/4
SOW 0.570 (14.5)
EH1542DS 105082 1.5
480/3
60 3450
K
3.5
14.6
14/4
SOW 0.570 (14.5)
EH1552DS 105083 1.5
600/3
60 3450
K
2.7
11.6
14/4
SOW 0.570 (14.5)
OPTIONAL - Temperature sensor cord for 3 phase models is 14/3 SOW, .530 (13.5mm) O.D.
OPTIONAL - Moisture sensor cord is 18/5 SOW, 0.470 (11.9mm) O.D.
OPTIONAL - Moisture and Temperature sensor cord for 3 phase models is 18/5 SOW, 0.470 (11.9mm) O.D.
Series EH-DS
3/4" Spherical Solids Handling
Double Seal
1...,161,162,163,164,165,166,167,168,169,170 172,173,174,175,176,177,178,179,180,181,...1665
Powered by FlippingBook